Места применения
Замок ABLOY EL482 рекомендован для использования во внутренних дверях коммерческих и общественных зданий, больниц, образовательных учреждений и во внешних дверях частных домов и коттеджей. Замки с управлением от ручки не могут быть использованы с приводами дверной автоматики.
Замки с управлением от ручки лучше всего подходят для дверей со средней проходимостью. Также замки можно ставить на двери запасного выхода и противопожарные двери (EN). Их нельзя использовать с дверной автоматикой. Замки управляются электрически различными системами управления доступом или оборудованием удалённого доступа. Такими, как нажимная кнопка, кодонаборная панель или таймер
Комплект поставки:
• Электромеханический замок
• Контактные муфты
• Крепежные винты
• Инструкция установке и монтажу
Дверные ручки Abloy не входят в комплект поставки и приобретаются отдельно.
Функционирование
Режим работы замков с электрически управляемой ручкой можно выбрать как нормально открытый, так и нормально закрытый. В нормально закрытом режиме замок снаружи может быть открыть нажимной ручкой при подаче питаниия, без питания ручка имеет свободный ход. В нормально открытом режиме замок снаружи может быть открыт при снятии питания. Замки всегда автоматически запираются, при закрывании двери. В замке ABLOY EL482 внешняя и внутренняя ручки электрически контролируются. Для корректной работы ручки используется сплошной шток. Также замок всегда можно открыть от цилиндра механическим способом с помощью ключа.
Работа электромеханического замка под управлением контроллера СКУД
Работа электромеханического замка под управлением контроллера СКУД
При работе EL482(29/25 mm) под управлением СКУД, контроллер СКУД осуществляет блокировку или разблокировку внешней ручки электромеханического замка путем отключения или подачи напряжения питания на замок. В дежурном режиме электромеханический замок находится в запертом состоянии («нормально закрыт»), его внешняя ручка заблокирована и напряжение на замок не подается. Если на контроллер СКУД со считывателя поступает код владельца карты доступа, которому разрешен проход через дверь с EL482, контроллер подает на электромеханический замок напряжение, внешняя ручка замка разблокируется и дверь можно открыть извне. При этом внутренней ручкой электромеханический замок можно открыть всегда.
В зависимости от конфигурации СКУД электромеханический замок может управляться не только контроллером, но и считывателем, таймером, кнопкой выхода и другими устройствами.
Схема подключения замка EL482 к устройствам СКУД

Настройки замка под конкретные условия работы
В отличие от других замков ABLOY соленоидного типа, электромеханический замок EL482 имеет раздельные шпиндели оригинальной конструкции, благодаря чему ручки замка независимы друг от друга. Кроме того, электромеханический замок универсален: его можно настроить для работы как на «правых», так и на «левых» дверях, перевести в режим «нормально открыт» или «нормально закрыт», поменяв направление соленоида, а также использовать источник постоянного тока напряжением 12 или 24 вольта.
Работа замка в режиме «нормально закрыт»
Если электромеханический замок настроен для работы в режиме «нормально закрыт» и на него не подается напряжение питания, то ригель EL482 выдвинут в ответную часть и замок находится в закрытом состоянии, а его внешняя ручка заблокирована. В этом случае дверь заперта и ее можно открыть снаружи только ключем. Изнутри дверь всегда можно открыть внутренней ручкой.
Для открытия двери внешней ручкой на электромеханический замок необходимо подать напряжение питания. Как правило, электромеханические замки с режимом «нормально закрыт» устанавливают на внешние профильные двери офисов, находящиеся внутри офисного здания, поскольку при возможных сбоях в электропитании они всегда будут заперты.
Применение электромеханического замка с режимом «нормально открыт»
Если во внутренних помещениях офиса, магазина, склада и других объектов двери должны быть разблокированы на открытие извне в дневное время и заблокированы в ночное, специалисты ABLOY рекомендуют использовать электромеханические замки EL482, настроенные на работу в режиме «нормально открыт». В этом случае, в дневное время суток напряжение питания на электромеханические замки не подается и внешние ручки замков не заблокированы. Чтобы электромеханический замок каждой двери перевести в запертое состояние, например, одновременно в 19-00, контроллер СКУД автоматически подает напряжение питания на все замки и блокирует их внешние ручки. Отпереть двери можно либо внутренней ручкой или ключом. После открытия и закрытия двери электромеханический замок снова заблокирует внешнюю ручку.
Высокая надежность и продолжительность наработки на отказ EL482
Как и другие замки Abloy, электромеханический замок EL482 сертифицирован по высшему классу устойчивости к взлому и имеет высокую износоустойчивость. Такие высокие эксплуатационные характеристики этих замков обусловлены особенностями их конструкции и применением запатентованных цилиндров Abloy. В зависимости от важности охраняемого объекта, в электромеханический замок этой модели можно установить цилиндры скандинавского овального или финского типа серий ASSA, Abloy Classic, Trio Ving, RUKO, Abloy Pro, а также цилиндры новой серии Protec, обладающие самой высокой надежностью в мире. Кроме того, от сверления и распиливания электромеханический замок предохраняют стальные шайбы и специальные пластины. Все детали замка EL482 выполнены из антикоррозионных сплавов, а ригель изготовлен из высококачественной стали.
Конструктивные особенности электромеханического замка Abloy EL482
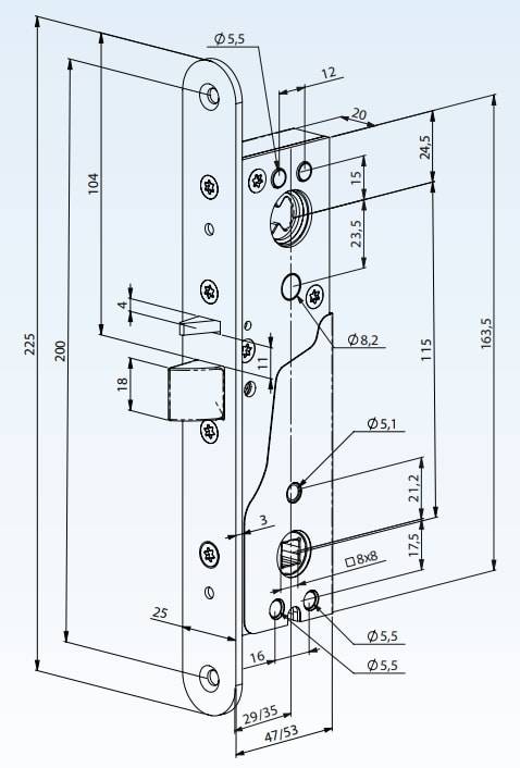
Поскольку EL482 предназначен для установки в профильные двери, то электромеханический замок имеет очень малое расстояние от края двери до середины цилиндра (29 или 35 мм), узкую переднюю планку в 22 мм, а также скандинавский стандарт врезки. В корпус электромеханического замка встроен микропереключатель для установки положения ригеля, который выдвигается на длину до 14 мм. В комплект поставки EL482 входят переходные пластины, контактные муфты, крепежные винты, схема сверления и подключения, а также инструкция по монтажу замка на дверь.

Технические характеристики ABLOY EL482:
• Индикация: положения ригеля
• Рабочее напряжение: 12 или 24 В постоянного тока (-10% - +15%)
• Рабочий ток:
- максимальный 0,55 А (12 В) или 0,27 (24 В)
- ток покоя 0,24 А (12 В) или 0,11 А (24 В)
• Диапазон температур: -20 °С…+60 °С
• Выход ригеля: 14 мм
• Бэксэт (расстояние от передней планки до середины целиндра): 29 мм, 35 мм
• Передняя планка: 25 мм
• Шпиндель замка: 8 мм
• Обработка планки: Хромирование
Внимание 1 (Диод)
При подключении электромагнитных или электромеханических замков постоянного тока к контроллеру СКУД, их необходимо шунтировать диодами. Наиболее часто используется диод 1N4007.
Категорически запрещается использование замков с не подключёнными защитными диодами! ЭДС самоиндукции, возникающая на катушке замка при размыкании питания, может достигать нескольких сотен вольт.
При отсутствии защитного диода за счёт искрообразования происходит обгорание контактов реле контроллера СКУД и выход его из строя.
Внимание 2 (Блок питания)
Электромагнитные и электромеханические замки необходимо запитывать от отдельного источника питания. При использовании общего блока питания для замка и контроллера СКУД высоковольтные помехи на линии питания могут вызывать сбои в работе контроллера.
Провода питания вести отдельным кабелем для исключения влияния электромагнитных импульсов, генерируемых при срабатывании замков, на работу контроллера СКУД. В противном случае, большинством производителей контроллеров, не гарантируется стабильная работа контроллера СКУД.
Бренд | Abloy |
Исполнение | Уличное |
Тип замка | Электромеханический замок |
Вид замка | Врезной |
Назначение замка | На любой тип дверей, Для подъездных дверей, На дверь в квартиру, Стандартные двери, Для пожарных систем |
Возможность открытия ключом | есть |
Встроенные датчики | Нет датчиков |
Тип блокировки | Нормально закрытый (НЗ), Нормально открытый (НО) |
Высота замка, мм | 163.5 |
Глубина замка, мм | 47 |
Ширина замка, мм | 20 |
Клавиатура | Нет |
Напряжение питания | 12 В / 24 В |
Потребляемый ток, макс. | 550 мА |
Рабочая температура | от -20°C до +60°C |
Цвет | Металл |
Гарантия | 1 год |
Страна производства | Финляндия |
Функция «Быстрый заказ» позволяет покупателю не проходить всю процедуру оформления заказа самостоятельно. Вы заполняете форму, и через короткое время вам перезвонит менеджер магазина. Он уточнит все условия заказа, ответит на вопросы, касающиеся качества товара, его особенностей. А также подскажет о вариантах оплаты и доставки.
По результатам звонка, пользователь либо, получив уточнения, самостоятельно оформляет заказ, укомплектовав его необходимыми позициями, либо соглашается на оформление в том виде, в котором есть сейчас. Получает подтверждение на почту или на мобильный телефон и ждёт доставки.
Оформление заказа в стандартном режиме
Если вы уверены в выборе, то можете самостоятельно оформить заказ, заполнив по этапам всю форму.
Заполнение адреса
Выберите из списка название вашего региона и населённого пункта. Если вы не нашли свой населённый пункт в списке, выберите значение «Другое местоположение» и впишите название своего населённого пункта в графу «Город». Введите правильный индекс.
Доставка
В зависимости от места жительства вам предложат варианты доставки. Выберите любой удобный способ. Подробнее об условиях доставки читайте в разделе «Доставка».
Оплата
Выберите оптимальный способ оплаты. Подробнее о всех вариантах читайте в разделе «Оплата»
Покупатель
Введите данные о себе: ФИО, адрес доставки, номер телефона. В поле «Комментарии к заказу» введите сведения, которые могут пригодиться курьеру, например: подъезды в доме считаются справа налево.
Оформление заказа
Проверьте правильность ввода информации: позиции заказа, выбор местоположения, данные о покупателе. Нажмите кнопку «Оформить заказ».
Наш сервис запоминает данные о пользователе, информацию о заказе и в следующий раз предложит вам повторить к вводу данные предыдущего заказа. Если условия вам не подходят, выбирайте другие варианты.
Если Вы хотите узнать об условиях доставки и оплаты, но не желаете о них читать, то Вы можете позвонить любому нашему сотруднику, и он обязательно Вам поможет.
Покупка за безналичный расчет
При оплате за безналичный расчет наш сотрудник свяжется с Вами, чтобы подтвердить заказ и уточнить сроки и адрес доставки. После оформления заказа сотрудник нашей компании вышлет вам счет, по которому необходимо будет произвести оплату.
После оплаты заказа к Вам приедет наш курьер, который доставит ваш заказ.
Самостоятельно забрать заказ из пунктов самовывоза Вы можете после его оплаты по безналичному расчету. Оплата доставки до пунктов выдачи транспортных компаний производится по тарифам выбранной Вами транспортной компании непосредственно в месте получения заказа.
Самовывоз из офиса нашей компании в Зеленограде, так же возможен после предоплаты по безналичному расчету, и предварительной договоренности с менеджером.
Интернет-магазин выполняет доставку любого товара своей собственной Службой доставки.
Стоимость доставки курьером
Стоимость доставки по Москве, Все товары —750 руб., бесплатная доставка от 25000 руб
Стоимость доставки по Московской области рассчитывается для каждого заказа индивидуально и зависит от суммарного веса товаров заказа и удаленности адреса доставки.
Время доставки
Время доставки согласовывается с менеджером Службы доставки, который обязательно свяжется с вами сразу после того, как вы разместите свой заказ.
Для осуществления доставки в регионы России мы пользуемся услугами компаний СДЭК, ЖелДорЭкспедиция, Автотрейдинг, Деловые Линии. В таком случае, указанными кампаниями взимается стоимость доставки по их внутренним тарифам с заказчика при получении товара.
Самовывоз
Забрать товар самостоятельно и абсолютно бесплатно можно только по адресу: Москва, Зеленоград, Панфиловский проспект, дом 10.
Забрать товар самовывозом можно по любому из адресов самовывоза указанных здесь, стоимость доставки до пункта самовывоза рассчитывается для каждого заказа по тарифам транспортных компаний.





