Извещатель пожарный пламени взрывозащищенный Болид С2000-Спектрон-607-Exd-M, адресный, многодиапазонный ИК/УФ
«Болид С2000-Спектрон-607-Exd-М» – это инновационный извещатель пожарного пламени, разработанный для надежного обнаружения открытых очагов горения в условиях присутствия взрывоопасных газов, паров и пылевых смесей. Изделие сочетает в себе современные технологии и строгие стандарты безопасности, что позволяет использовать его как в закрытых, так и на открытых объектах с повышенной пожарной опасностью.
Извещатель оснащён двойной оптической системой, где первый сенсор работает в ультрафиолетовом (185–260 нм), а второй – в инфракрасном диапазоне (около 4300 нм). Такой подход обеспечивает высокую точность обнаружения пламени даже при воздействии помех от сварки, яркого солнечного света или бытового освещения, минимизируя ложные срабатывания.
Корпус извещателя изготовлен из оцинкованной стали и покрыт порошковой краской, что обеспечивает надежную защиту от агрессивных внешних факторов. Встроенная система подогрева и самодиагностики позволяет корректно работать при температурных режимах от –60 до +75 °С, а наличие интерфейса RS-485 и поддержки протокола DPS_v2.xx открывает возможности для дистанционного управления, настройки и интеграции в современные системы автоматической пожарной сигнализации. Извещатель соответствует требованиям на взрывозащищенное оборудование с видом взрывозащиты «взрывонепроницаемая оболочка «d», имеющий уровень взрывозащиты с маркировкой РВ Ex db I Mb / 1Ex db IIC T6 Gb / Ex tb IIIC T85ºC Db для «C2000-Спектрон-607-Exd-Н», «C2000-Спектрон-607-Exd-М» по ГОСТ 31610.0-2014 (IEC 60079-0:2011).
Устройство соответствует международным стандартам взрывозащиты, что подтверждается сертификатами и декларациями соответствия. Высокая чувствительность при минимальном энергопотреблении и возможность подключения дополнительных аксессуаров делают «Болид С2000-Спектрон-607-Exd-М» незаменимым элементом комплексной системы пожарной безопасности на объектах различного назначения.
Особенности
- Работает по принципу двойного спектрального контроля: ультрафиолетовый и инфракрасный датчики обеспечивают точное обнаружение пламени.
- Обеспечен взрывозащитный корпус по стандартам IEC 60079 и ГОСТ, рассчитанный на работу в зонах с высокой концентрацией взрывоопасных смесей.
- Интегрированная система подогрева (термостат) гарантирует надежное функционирование при экстремально низких температурах.
- Возможность подключения к современным системам двухпроводной линии связи (ДПЛС), что позволяет получать данные о состоянии извещателя дистанционно.
- Поддержка функции самодиагностики и тестирования, что помогает своевременно выявить возможные неисправности и предупредить ложные срабатывания.
Для более достоверного обнаружения открытого очага пламени извещатель оснащён двумя чувствительными элементами, каждый из которых работает в своём оптическом спектре.
Первый элемент работает в ультрафиолетовом диапазоне с длинами волн от 185 нанометра до 260, второй – в инфракрасном диапазоне с длиной волны 4300 нанометра. Одновременное присутствие сигналов от обоих чувствительных элементов на протяжении определённого времени извещатель интерпретирует как появление в охраняемой зоне открытого очага пламени.
Далее сигнал преобразуется в электрический импульс. После обработки сигнала по специальному алгоритму, обеспечивающему максимальную чувствительность извещателя к излучению пламени при максимальном подавлении ложных помех, формируется сигнал «ПОЖАР».
Преимущества
- Высокая чувствительность и быстрота реагирования благодаря использованию двух сенсоров с независимой обработкой сигналов.
- Надёжная работа в агрессивных условиях окружающей среды: защищён от прямого солнечного света, сварочных дуг и воздействия механических вибраций.
- Простота в монтажных и пусконаладочных работах, благодаря детальной документации и наличию тестовых приборов для настройки.
- Гибкая настройка параметров извещателя через RS-485 и специализированное ПО «Spectron.exe», что обеспечивает адаптацию под конкретные задачи систем безопасности.
- Соответствие строгим требованиям безопасности и наличие необходимых сертификатов подтверждают высокое качество изделия.
Недостатки
- Комплексность технических настроек может требовать привлечения квалифицированного персонала для монтажа и обслуживания.
- Необходимость регулярного технического обслуживания, включая чистку оптической части и замену силикагеля для поддержания влагозащищённости.
- Высокая стоимость по сравнению с менее специализированными системами обнаружения, что может стать ограничивающим фактором при выборе оборудования для небольших объектов.
- Из-за специфики работы в экстремальных условиях устройство требует тщательного контроля и соблюдения всех рекомендаций производителя при установке и эксплуатации.
Данный извещатель пожарного пламени «Болид С2000-Спектрон-607-Exd-М» станет надёжным звеном в системе пожарной безопасности любого объекта, обеспечивая своевременное обнаружение очагов возгорания и минимизируя риски, связанные с возможными аварийными ситуациями.
Характеристики:
- Маркировка взрывозащиты: «C2000-Спектрон-607-Exd-М/Н» РВ Ex db I Mb / 1Ex db IIC T6 Gb / Ex tb IIIC T85ºC Db
- Инерционность извещателя, не более, сек: 30 (возможно изменение чувствительности и инерционности в настройках)
- Напряжение в линии связи, В: от 9 до 12
- Потребляемый ток ,мА: не более 11.2
- Напряжение термостата, В: от 12 до 24
- Потребляемый ток термостата (во всём диапазоне напряжений), мА: 250-260
- Время технической готовности, не более, сек: 60
- Степень защиты оболочки ГОСТ 14254-2015 IP66/IP68
- Устойчивость к механическим воздействиям по ОСТ 25 1099-83: категория размещения 3
- Вибрационные нагрузки: - диапазон частот, Гц: 1-35
- Диапазон температур, °С: - с подогревом: от минус 60 до плюс 75
- Относительная влажность воздуха, при +40 °С, %: до 93
- Климатическое исполнение по ГОСТ 25 1099-83: О1
- Телесный угол обзора, град: 90
- Спектральная чувствительность, ИК/УФ, нм: 4300/185-260
- Чувствительность по ГОСТ Р 53325-2012, м. ТП-5, ТП-6: 1 класс
- Устойчивость к прямому свету, не менее, лк: - лампы накаливания: 150 000
- Масса, не более, кг: 6
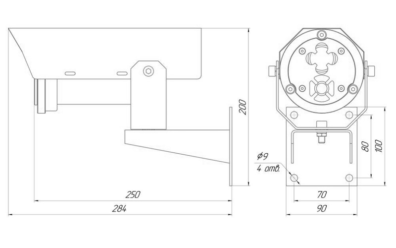
- Габариты, не более, мм: 158×84×78
- Время непрерывной работы извещателя: круглосуточно
- Средняя наработка извещателя на отказ, ч: 60000
- Вероятность безотказной работы за 1000 ч: 0,98758
- Срок службы извещателя, не менее, лет: 10
- По устойчивости к электромагнитным помехам извещатель соответствует требованиям второй степени жёсткости, с критерием качества функционирования А, соответствующих стандартов, перечисленных в Приложении Б ГОСТ Р 53325-2012.
- Извещатель удовлетворяет нормам индустриальных помех, установленным для оборудования класса Б по ГОСТ Р 30805.22.
- максимальное ускорение: 0,5g (4,9 м/с2)
- без подогрева: от минус 40 до плюс 75
- люминесцентной лампы: 150 000
Бренд | Болид |
Тип извещателя | Комбинированный, ИК, УФ, Пламени |
Адресный | Да |
Тип передачи данных | Проводной |
Исполнение | Уличное, Взрывозащитное |
Степень жесткости к электромагнитным помехам | 2 |
Скорость срабатывания | 30 сек |
Тип монтажа | Настенный |
Материал | Оцинкованная сталь |
Индикация | Световая |
Угол обзора | 90° |
Напряжение питания | 9...12 В |
Потребляемый ток, макс. | 11 мА |
Габариты | 158х84х78 мм |
Вес, кг | 6 |
Рабочая температура | от -60°C до +75°C |
Рабочая влажность | не выше 93% |
Класс защиты (IP) | IP68 |
Наработка на отказ, не менее | 60 000 часов |
Средний срок службы | Не менее 10 лет |
Гарантия | 18 мес. |
Страна производства | Россия |
Функция «Быстрый заказ» позволяет покупателю не проходить всю процедуру оформления заказа самостоятельно. Вы заполняете форму, и через короткое время вам перезвонит менеджер магазина. Он уточнит все условия заказа, ответит на вопросы, касающиеся качества товара, его особенностей. А также подскажет о вариантах оплаты и доставки.
По результатам звонка, пользователь либо, получив уточнения, самостоятельно оформляет заказ, укомплектовав его необходимыми позициями, либо соглашается на оформление в том виде, в котором есть сейчас. Получает подтверждение на почту или на мобильный телефон и ждёт доставки.
Оформление заказа в стандартном режиме
Если вы уверены в выборе, то можете самостоятельно оформить заказ, заполнив по этапам всю форму.
Заполнение адреса
Выберите из списка название вашего региона и населённого пункта. Если вы не нашли свой населённый пункт в списке, выберите значение «Другое местоположение» и впишите название своего населённого пункта в графу «Город». Введите правильный индекс.
Доставка
В зависимости от места жительства вам предложат варианты доставки. Выберите любой удобный способ. Подробнее об условиях доставки читайте в разделе «Доставка».
Оплата
Выберите оптимальный способ оплаты. Подробнее о всех вариантах читайте в разделе «Оплата»
Покупатель
Введите данные о себе: ФИО, адрес доставки, номер телефона. В поле «Комментарии к заказу» введите сведения, которые могут пригодиться курьеру, например: подъезды в доме считаются справа налево.
Оформление заказа
Проверьте правильность ввода информации: позиции заказа, выбор местоположения, данные о покупателе. Нажмите кнопку «Оформить заказ».
Наш сервис запоминает данные о пользователе, информацию о заказе и в следующий раз предложит вам повторить к вводу данные предыдущего заказа. Если условия вам не подходят, выбирайте другие варианты.
Если Вы хотите узнать об условиях доставки и оплаты, но не желаете о них читать, то Вы можете позвонить любому нашему сотруднику, и он обязательно Вам поможет.
Покупка за безналичный расчет
При оплате за безналичный расчет наш сотрудник свяжется с Вами, чтобы подтвердить заказ и уточнить сроки и адрес доставки. После оформления заказа сотрудник нашей компании вышлет вам счет, по которому необходимо будет произвести оплату.
После оплаты заказа к Вам приедет наш курьер, который доставит ваш заказ.
Самостоятельно забрать заказ из пунктов самовывоза Вы можете после его оплаты по безналичному расчету. Оплата доставки до пунктов выдачи транспортных компаний производится по тарифам выбранной Вами транспортной компании непосредственно в месте получения заказа.
Самовывоз из офиса нашей компании в Зеленограде, так же возможен после предоплаты по безналичному расчету, и предварительной договоренности с менеджером.
Интернет-магазин выполняет доставку любого товара своей собственной Службой доставки.
Стоимость доставки курьером
Стоимость доставки по Москве, Все товары —750 руб., бесплатная доставка от 25000 руб
Стоимость доставки по Московской области рассчитывается для каждого заказа индивидуально и зависит от суммарного веса товаров заказа и удаленности адреса доставки.
Время доставки
Время доставки согласовывается с менеджером Службы доставки, который обязательно свяжется с вами сразу после того, как вы разместите свой заказ.
Для осуществления доставки в регионы России мы пользуемся услугами компаний СДЭК, ЖелДорЭкспедиция, Автотрейдинг, Деловые Линии. В таком случае, указанными кампаниями взимается стоимость доставки по их внутренним тарифам с заказчика при получении товара.
Самовывоз
Забрать товар самостоятельно и абсолютно бесплатно можно только по адресу: Москва, Зеленоград, Панфиловский проспект, дом 10.
Забрать товар самовывозом можно по любому из адресов самовывоза указанных здесь, стоимость доставки до пункта самовывоза рассчитывается для каждого заказа по тарифам транспортных компаний.
Более 100 научных исследований, системных обзоров и метаанализов было проработано для подготовки этого материала. Несмотря на значение городов в современном мире, их будущее на удивление хрупко и представляет угрозу не только для их жителей, но и для стран, и даже для всей человеческой цивилизации.












