Шлагбаум вандалоустойчивый предназначен для ограничения проезда до 6 м. Скорость открывания шлагбаума от 8 секунд.
Комплект поставки:
• Тумба шлагбаума F6PGA с приводом, БЭ(IP54): 1 шт.
• Сигнальная лампа: 1 шт.
• Пульт управления 1 кнопка: 1 шт.
• Стрела круглого сечения 6 м с функцией "антиветер" Ø100 мм со светоотражающими наклейками: 1 шт.
• Крепление стрелы по центру: 1 шт.
• Опорная стойка под стрелу до 8м (h=1): 1 шт.
• Монтажный комплект (и ключ на 19 для разблокировки стрелы по запросу): 1 шт.
• Руководство по монтажу и эксплуатации: 1 шт.
По желанию заказчика возможна установка дополнительного оборудования:
• Радиоуправление
• Фотоэлементы
• Светофор
• Опорная стойка
• Подсветка стрелы
• Система резервного питания
• СКУД
Автоматические шлагбаумы производства «Фантом» обладают рядом неоспоримых преимуществ, которые обеспечивают продукции место лидера в сегменте российского рынка оборудования для пропускных пунктов:
• Бесперебойная работа автоматического шлагбаума, произведенных на заводе «Фантом» обеспечивается электромеханическим приводом, разработанным нашими инженерами на базе редуктора и асинхронного двигателя общепромышленного назначения.
• Простота в эксплуатации даже при предельно допустимых режимах интенсивности использования.
• Компактность и современный дизайн, которые обеспечивают гармонию установленного автоматического шлагбаума с окружающей обстановкой.
• Работоспособность в жару и холод - диапазон рабочих температур наших автоматических шлагбаумов варьируется от -45 до +50 градусов.
• Долгий срок службы благодаря использованию при изготовлении основных элементов конструкции стальных деталей токарно-фрезерного производства, а не литых или пластмассовых.
• Заметность для водителей и пешеходов – в комплектацию всех автоматических шлагбаумов «Фантом» входят стрелы со светоотражающими наклейками, которые делают шлагбаум отлично видимым в темное время суток.
• Безопасность функционирования для участников дорожного движения обеспечивает мягкий вкладыш, установленный на стрелу шлагбаума.
• Дистанционное управление и возможность подключения дополнительных модулей.
• Гарантия на все автоматические шлагбаумы производства «Фантом» - 1 год.
Характеристики шлагбаума:
• Длина стрелы, м: 6
• Сечение стрелы: круглого сечения Ø100 мм
• Электродвигатель: АИР63В6
• Напряжение питания, В: 230 ± 10%
• Частота тока, Гц: 50
• Номинальная потребляемая мощность, Вт: 250
• Фактическая потребляемая мощность, Вт: 170
• Время открывания, сек: 8 сек
• Частотный преобразователь: Нет
• Степень защиты: IP54
• Диапазон рабочих температур :от -40 до +50
• Число суточных циклов открытий/закрытий: 3 000
• Средняя наработка на отказ, циклов открытий/закрытий: 2 000 000
• Материал корпуса :Холоднокатаная сталь толщиной от 2,5 до 5 мм с порошковым покрытием
• Масса, кг: до 85
• Габариты корпуса, мм: 1130х340х380
Откидывание стрелы шлагбаумов производства Фантом при наезде автомобиля
Ограничения по использованию
Допускается закрепление дополнительного оборудования на стреле шлагбаума при условии:
• точка крепления дополнительного оборудования находится не далее половины длины стрелы от основания
• масса дополнительного оборудования для автоматических шлагбаумов с длинной стрелы до 4 метров не должна превышать 3 кг. Для оборудования свыше 3 кг нужно ставить дополнительные пружины
На стрелы длинной свыше 4 метров дополнительное оборудование устанавливать ЗАПРЕЩАЕТСЯ!!!
Одна пружина разгружает механизм с моментом 57 Н∙м (5, 7 кг/м)
Не рекомендуется включать шлагбаум со снятой или не закрепленной стрелой во избежание перегрузки привода компенсационными пружинами.
Рекомендуем на объектах с нестабильным электропитанием (садоводства, промзоны, и пр.) и при электропитании через генератор, подключать автоматические шлагбаумы с использованием стабилизатора напряжения мощностью не менее 500Вт.
Интенсивность использования всех моделей шлагбаумов составляет 100% в режиме S3.
Монтаж
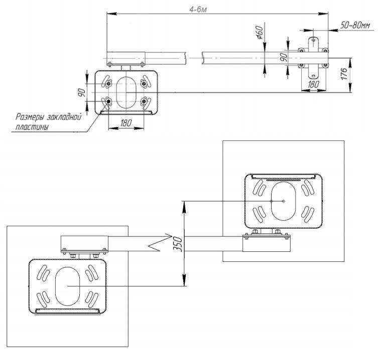
Важно! Стрела должна быть справа (смотреть со стороны крышки тумбы), т.е. пружины должны разгружать редуктор от момента стрелы.
Для контроля проезда слева, а также при установке 2-х шлагбаумов тумбу необходимо повернуть вокруг своей оси на 180ᵒ
Рекомендуемые кабели (не менее указанных значений):
Питание 220В – ПВС 3х0,75; Управление – ПВС 4х0,5; Фотоэлементы – ШВВП 2х0,5 – излучатель, 4х0,5 – приемник.

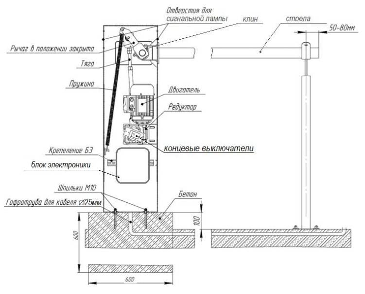
Заливка фундамента
Шлагбаум следует установить на фундамент размером 600x600x600 из бетона марки не ниже М400. При заливке необходимо использовать монтажный комплект: монтажную раму и анкеры, при этом каждый анкер должен выступать над поверхностью фундамента своей резьбовой частью на высоту не менее 40 мм. Сам фундамент должен выступать над уровнем проезжей части не менее 100мм.
Опорную стойку или стойку для фотоэлементов следует установить на фундамент размером 300x300x300 из бетона марки не ниже М400 с закладкой анкеров, либо, при наличии асфальтового покрытия с помощью анкерного крепежа на асфальт. Рекомендуемые шпильки - М10 (L=200) с кузовной шайбой.

Замена масленой заглушки на редукторе
Возможна модель редуктора без масленой заглушки – это не является неисправностью!
Вместо заглушки (см. Рис.5), установленной на редукторе для транспортировки, необходимо поставить сапун (прилагается в комплект).
Небольшое подтекание масла из редуктора не является неисправностью.
Регулировка конечных положений стрелы
Перед установкой стрелы на тумбу шлагбаума переставьте упор из внутреннего крепления на наружное.
Регулировка горизонтального положения стрелы

Производится снаружи.
• Ослабить две гайки ключом №19;
• Выставить стрелу в горизонт до безударного касания ловителя, т.е. если убрать стойку, стрела не должна опуститься более чем на 3 см. Проверку этой регулировки производить один раз в три месяца.
При ударе стрелы о стойку происходит разрушение редуктора – самой дорогой детали шлагбаума;
• Затянуть гайки
Без опорной стойки
Производится снаружи.
• Ослабить две гайки ключом №19;
• Выставить стрелу в горизонт;
• Затянуть гайки
Регулировка работы концевых выключателей
Работа концевых выключателей регулируется поворотом основания с магнитом.
Внимание! Настраивается на производстве. Не трогать без надобности!
Выключатели выполнены бесконтактными на основе датчиков Холла. Концевые выключатели имеют индикацию: красный – ЗАКРЫТО, зеленый – ОТКРЫТО.
Данное положение основания с магнитом соответствуют положению стрелы «открыто», т.е. вертикальному, индикатор зеленый.
Для регулировки положения основания надо ослабить центральный болт М10 и повернуть основание с магнитом в нужное положение и НАДЕЖНО затянуть болт М10.
Цвета проводов от датчиков соответствуют:
• Красный - +12В
• Черный - END
• Синий – коцевик закрытия КЗ
• Желтый – концевик открытия КО
Подключение электропитания:
При подключении шлагбаума обесточьте питающую сеть 220В!
Питание шлагбаума однофазное, подключается к разъему Х1.
Заземляющий провод подключается к корпусу или двигателю.
Подключение управляющих систем и доп. оборудования
ВНИМАНИЕ! При подключении дополнительного оборудования с использованием платы
расширения арт.PR, не допускается одновременная работа 2-х и более плат расширения без
внешнего источника питания 5В!
Фотоэлементы
Фотоэлементы подключаются к разъему Х14. Питание фотоэлементов – 24В.
Управляющий сигнал – нормально замкнутый. При срабатывании фотоэлемента в открытом положении – шлагбаум не будет закрываться, игнорируя любые команды.
При срабатывании фотоэлемента во время закрытия – закрытие прекратится и шлагбаум откроется.
При отсутствии фотоэлементов на переключателе Х13 должен быть установлен джампер. При отсутствии перемычки шлагбаум не будет закрываться.
Сигнальная лампа
Сигнальная лампа подключается к разъему Х3. Напряжение ~220В. Активируется при движении
стрелы шлагбаума. Лампа крепиться с боку корпуса шлагбаума.
Светофор
Светофор подключается через плату расширения арт.PRA.
На рисунке показано подключение светофора на 220В. Для подключения светофора на 12В или 24В необходимо в цепь питания светофора включать блок питания на соответствующего напряжения.

Универсальная кнопка
Универсальная кнопка (ПУ/1 или др.) подключается к разъему Х12. Активация шлагбаума происходит при замыкании контактов.
Трехкнопочный пульт / СКУД (система контроля и управления доступом)
Подключается к разъему Х9
Контакты открытия и закрытия нормально разомкнуты с землей.
Контакт стоп – нормально замкнут.
При отсутствии пульта должен стоять джампер на переключателе Х10. При ее отсутствии шлагбаум не будет реагировать на команды управления.
При использовании СКУД возможно потребуется дополнительное реле, вследствие использования в большинстве СКУД транзисторов, рассчитанных на управление электро-замком.
Подойдет любое реле, с напряжением обмотки соответствующим напряжению СКУД.
Режимы управления при закрытии
На блоке электроники, в зависимости от комплектации шлагбаума, могут быть активированы дополнительные режимы работы.
1. Закрытие только по управляющему сигналу.
2. Закрытие по Таймеру
3. Авто-закрытие по сигналу фотоэлемента
Закрытие шлагбаума только по управляющему сигналу
Данный режим включен при отсутствии перемычки на таймере колодка Х11, а при наличии фотоэлементов необходимо убедиться, что не включен режим Авто-закрытия по сигналу ФЭ.
В данном режиме шлагбаум возможно закрыть только по управляющему сигналу с
универсальной кнопки, с радио брелока, по сигналу СКУД.
Таймер
Таймер обеспечивает автоматическое закрытие шлагбаума, спустя установленное время после открытия (заводская настройка – 15 секунд).
Для включения таймера на колодке Х11 должна стоять перемычка возле подписи «ТАЙМЕР»
Если срабатывание таймера не требуется – на колодке Х11 перемычка напротив надписи «ТАЙМЕР» должна отсутствовать.
Настройка задержки производится с помощью кнопки ОТКРЫТЬ S1 и кнопки ЗАКРЫТЬ S2.
Чтобы установить задержку таймера:
1. Обесточить шлагбаум
2. При подаче питания удерживать нажатыми одновременно кнопки ОТКРЫТЬ и ЗАКРЫТЬ.
3. Блок перейдет в режим настройки задержки таймера. Количеством миганий индикаторов открытия и закрытия отобразится текущее время задержки в секундах кратное 5.
(3 мигания – 15 секунд)
4. Кнопками ОТКРЫТЬ и ЗАКРЫТЬ соответственно можно увеличить и уменьшить задержку на пять секунд. При удержании кнопки индикатор мигнет столько раз, на сколько изменится задержка.
5. После каждого изменения задержки индикаторы мигнут столько раз, сколько в данный момент установлена задержка.
6. По окончании настройки нажатие кнопки СТОП переведет блок электроники в штатный режим эксплуатации.
Авто-закрытие по сигналу фотоэлемента
При подключении Фотоэлементов (ФЭ) активируется режим Авто-закрытия по сигналу ФЭ, при котором шлагбаум будет закрываться за проехавшим ТС через 1 секунду, основываясь на сигнале ФЭ.
Функция остановки закрытия при обнаружении препятствия продолжает работать в этом режиме.
Для включения или отключения функции Авто-закрытия по сигналу ФЭ необходимо зайти в режим настройки блока, для чего:
1. Обесточить шлагбаум
2. При включении питания удерживать нажатой кнопку ОТКР.
3. Блок перейдет в режим настройки. Если зеленый светодиод часто мигает - функция Авто закрытия по сигналу ФЭ включена. Иначе отключена. Включение и выключение функции производиться однократным нажатием на кнопку ОТКР.
4. По окончании настройки нажатие кнопки СТОП переведет блок электроники в штатный режим эксплуатации.
Закрытие шлагбаума только по управляющему сигналу
В данном режиме шлагбаум возможно закрыть только по управляющему сигналу с универсальной кнопки, с радио брелока, по сигналу СКУД.
При наличии фотоэлементов необходимо убедиться, что не включен режим Авто-закрытия по сигналу ФЭ, для чего смотри п.7.6.2.
Управление автоматическим шлагбаумом
Управление со стационарного пульта
Кнопка имеет один нормально разомкнутый контакт. Есть в комплекте со всеми автоматическими шлагбаумами.
Открытие: Для открытия необходимо нажать и отпустить кнопку.
Закрытие: Для закрытия необходимо нажать и отпустить кнопку.
Внимание! Во время движения стрелы вниз, повторное нажатие кн.1 включает автоматический подъем стрелы вверх до вертикали. Режим используется только как аварийный. Постоянное использование данного режима повышает износ редуктора!
Для управления двумя и более шлагбаумами можно использовать одну кнопку, подключив к ней шлагбаумы параллельно, синхронизация при этом не требуется.
Радиоуправление
Для открытия/закрытия шлагбаума однократно нажмите кнопку соответствующего канала.
Внимание! Во время движения стрелы вниз, повторное нажатие кн.1 включает автоматический подъем стрелы вверх до вертикали. Режим используется только как аварийный. Постоянное использование данного режима повышает износ редуктора!
Конструкция брелоков позволяет организовать радиоуправление комплексом оборудования, состоящего из нескольких шлагбаумов или других устройств, например, прожектор, сирена и пр. от 2-х до 4-х единиц, в зависимости от модели брелока.
Система откидывания стрелы
При наезде на стрелу в закрытом положении она выскакивает из полиуретановых роликов и откидывается
Усилие удержания стрелы в роликах регулируется затяжкой гаек.
Угол откидывания стрелы регулируется длиной тросика.

Если отключено электропитаниеЕсли у Вас отключили электропитание в закрытом положении шлагбаума, можно открыть проезд вручную:
• При наличии Системы откидывания стрелы:
Отвести стрелу в сторону
• При стандартном креплении стрелы:
Поднять стрелу вручную, для этого:
- Отключить шлагбаум от электросети.
-Ослабить гайки ключом на 19, см. Рис.10
- Перевести стрелу в вертикальное положение без касания упора и затянуть гайки.
Внимание! После включения электропитания вернуть стрелу в горизонтальное положение!
Для этого:
• Ослабить гайки
• Перевести стрелу в первоначальное положение (горизонтальное) и затянуть гайки.
• Подключить шлагбаум к электросети.
Бренд шлагбаума | Фантом |
Тип шлагбаума | Автоматический |
Тип привода шлагбаума | Электромоторный |
Ширина перекрываемого проезда | 6 м |
Стрела в комплекте | 6 м |
Сечение стрелы | Круглое |
Подсветка стрелы | Светоотражающие наклейки |
Материал тумбы шлагбаума | Окрашенная сталь |
Скорость открывания | 8 сек. |
Интенсивность | 100% |
Серия шлагбаумов | Фантом Пром |
Напряжение питания | 230 В |
Потребляемая мощность, макс. | 250 Вт |
Габариты | 1130х340х380 мм |
Вес, кг | 85 |
Рабочая температура | от -55°C до +50°C |
Класс защиты (IP) | IP54 |
Наработка на отказ, не менее | 2 млн. циклов |
Гарантия | 1 год |
Страна производства | Россия |
Функция «Быстрый заказ» позволяет покупателю не проходить всю процедуру оформления заказа самостоятельно. Вы заполняете форму, и через короткое время вам перезвонит менеджер магазина. Он уточнит все условия заказа, ответит на вопросы, касающиеся качества товара, его особенностей. А также подскажет о вариантах оплаты и доставки.
По результатам звонка, пользователь либо, получив уточнения, самостоятельно оформляет заказ, укомплектовав его необходимыми позициями, либо соглашается на оформление в том виде, в котором есть сейчас. Получает подтверждение на почту или на мобильный телефон и ждёт доставки.
Оформление заказа в стандартном режиме
Если вы уверены в выборе, то можете самостоятельно оформить заказ, заполнив по этапам всю форму.
Заполнение адреса
Выберите из списка название вашего региона и населённого пункта. Если вы не нашли свой населённый пункт в списке, выберите значение «Другое местоположение» и впишите название своего населённого пункта в графу «Город». Введите правильный индекс.
Доставка
В зависимости от места жительства вам предложат варианты доставки. Выберите любой удобный способ. Подробнее об условиях доставки читайте в разделе «Доставка».
Оплата
Выберите оптимальный способ оплаты. Подробнее о всех вариантах читайте в разделе «Оплата»
Покупатель
Введите данные о себе: ФИО, адрес доставки, номер телефона. В поле «Комментарии к заказу» введите сведения, которые могут пригодиться курьеру, например: подъезды в доме считаются справа налево.
Оформление заказа
Проверьте правильность ввода информации: позиции заказа, выбор местоположения, данные о покупателе. Нажмите кнопку «Оформить заказ».
Наш сервис запоминает данные о пользователе, информацию о заказе и в следующий раз предложит вам повторить к вводу данные предыдущего заказа. Если условия вам не подходят, выбирайте другие варианты.
Если Вы хотите узнать об условиях доставки и оплаты, но не желаете о них читать, то Вы можете позвонить любому нашему сотруднику, и он обязательно Вам поможет.
Покупка за безналичный расчет
При оплате за безналичный расчет наш сотрудник свяжется с Вами, чтобы подтвердить заказ и уточнить сроки и адрес доставки. После оформления заказа сотрудник нашей компании вышлет вам счет, по которому необходимо будет произвести оплату.
После оплаты заказа к Вам приедет наш курьер, который доставит ваш заказ.
Самостоятельно забрать заказ из пунктов самовывоза Вы можете после его оплаты по безналичному расчету. Оплата доставки до пунктов выдачи транспортных компаний производится по тарифам выбранной Вами транспортной компании непосредственно в месте получения заказа.
Самовывоз из офиса нашей компании в Зеленограде, так же возможен после предоплаты по безналичному расчету, и предварительной договоренности с менеджером.
Интернет-магазин выполняет доставку любого товара своей собственной Службой доставки.
Стоимость доставки курьером
Стоимость доставки по Москве, Все товары —750 руб., бесплатная доставка от 25000 руб
Стоимость доставки по Московской области рассчитывается для каждого заказа индивидуально и зависит от суммарного веса товаров заказа и удаленности адреса доставки.
Время доставки
Время доставки согласовывается с менеджером Службы доставки, который обязательно свяжется с вами сразу после того, как вы разместите свой заказ.
Для осуществления доставки в регионы России мы пользуемся услугами компаний СДЭК, ЖелДорЭкспедиция, Автотрейдинг, Деловые Линии. В таком случае, указанными кампаниями взимается стоимость доставки по их внутренним тарифам с заказчика при получении товара.
Самовывоз
Забрать товар самостоятельно и абсолютно бесплатно можно только по адресу: Москва, Зеленоград, Панфиловский проспект, дом 10.
Забрать товар самовывозом можно по любому из адресов самовывоза указанных здесь, стоимость доставки до пункта самовывоза рассчитывается для каждого заказа по тарифам транспортных компаний.















