Гидравлический боллард Сатурн Конверсия 320-18 мм
Гидравлический боллард «Сатурн Конверсия 320-18 мм» — это мощное инженерное средство защиты, предназначенное для ограничения проезда автотранспорта и обеспечения безопасности охраняемых территорий. Конструкция болларда выполнена из прочной стали Fe 37 с толщиной стенки 18 мм и внешним покрытием из нержавеющего листа, что обеспечивает устойчивость к ударам, коррозии и климатическим воздействиям. Благодаря гидравлическому приводу устройство обладает высокой скоростью активации и рассчитано на интенсивную эксплуатацию в круглосуточном режиме. Диапазон диаметров от 220 до 320 мм и высот от 500 до 1000 мм позволяет подобрать решение под характеристики проезда и требуемый уровень физической защиты объекта.
Боллард применяется на объектах с повышенными требованиями к безопасности — промышленных предприятиях, аэропортах, правительственных учреждениях, военных базах, логистических центрах и частных территориях. Модель способна выдерживать значительные механические нагрузки, сохраняя работоспособность даже при экстремальных температурах от −50 °С до +65 °С. Управление осуществляется дистанционно с помощью брелоков, при этом в случае отключения электропитания предусмотрено автоматическое опускание цилиндра для предотвращения аварийных ситуаций.
Болларды серии «Сатурн Конверсия» интегрируются в системы контроля доступа и могут работать совместно с шлагбаумами, воротами и другими элементами охранной инфраструктуры. Регулируемое время активации и деактивации 7-10 секунд позволяет использовать устройство в местах с высокой интенсивностью движения, а встроенные сигнальные светодиоды повышают видимость и безопасность эксплуатации. Применение нержавеющей стали AISI в ключевых узлах конструкции гарантирует длительный срок службы и минимальные требования к техническому обслуживанию.
Особенности
- Гидравлический привод с регулируемым временем активации и деактивации.
- Корпус из стали Fe 37 толщиной 18 мм с внешним покрытием из нержавеющего листа.
- Диаметр цилиндра — 320 мм, высота выдвижной части — до 1000 мм.
- Нержавеющая крышка и горизонтальные поверхности AISI для защиты от коррозии.
- Дистанционное управление: в комплекте 2 брелока ДУ.
- Наличие источника БП и сигнальных светодиодов.
- Работа при температурах от −50 °С до +65 °С.
Преимущества
- Высокая механическая прочность благодаря увеличенной толщине стенки 18 мм.
- Длительный срок службы и устойчивость к погодным воздействиям.
- Регулируемая скорость работы и возможность интенсивной эксплуатации — более 500 циклов в сутки.
- Совместимость с системами контроля доступа и охранными платформами.
- Автоматическое опускание при перебое питания для безопасности эксплуатации.
Недостатки
- Необходимость подключения к гидростанции 380/220 V.
- Периодическое техническое обслуживание гидросистемы.
- Монтаж требует устройства подземного основания и дренажа.

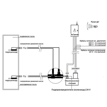
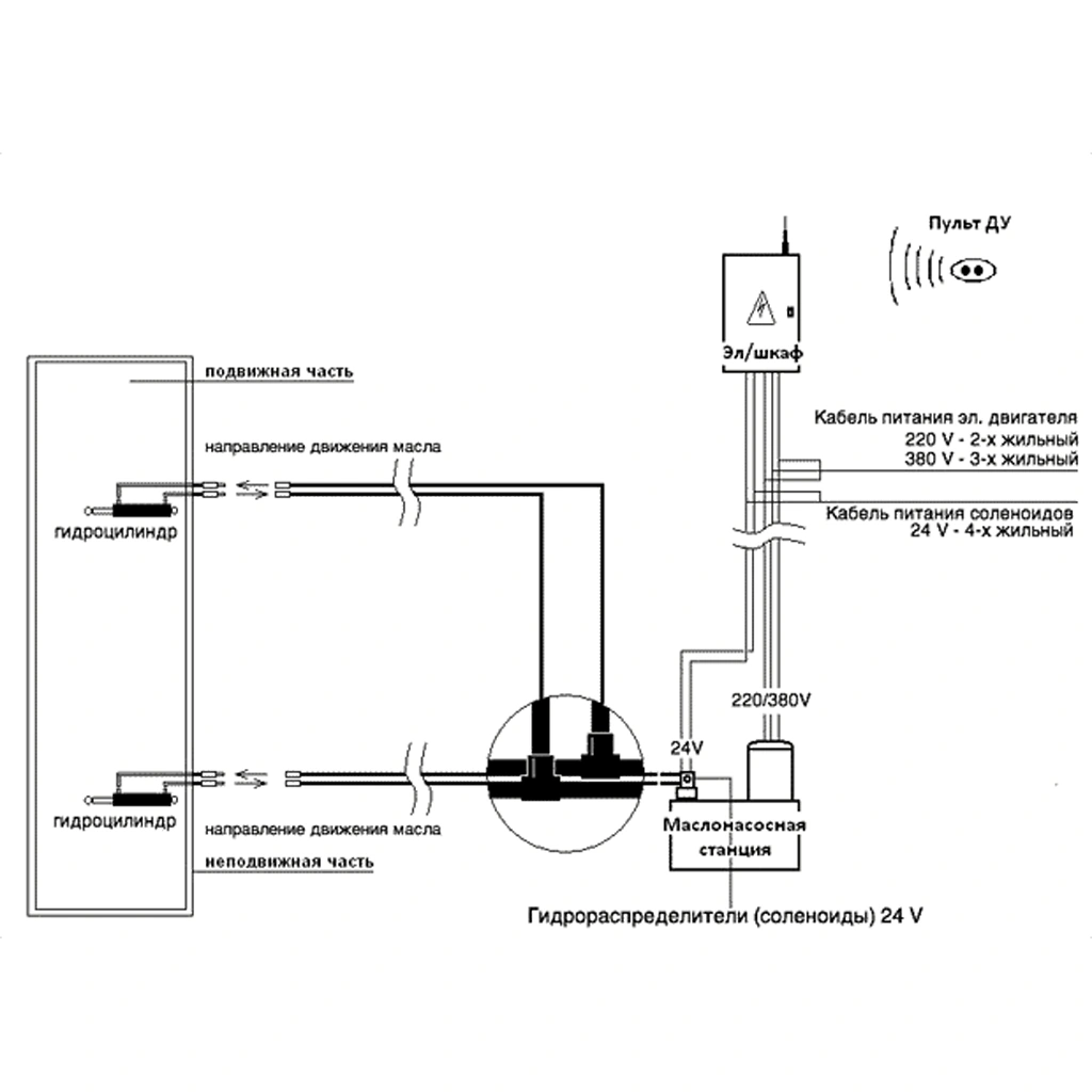
Технические характеристики:
- Движущая сила (исполнительный механизм): гидравлическая (гидроцилиндр)
- Основной цилиндр: Fe 37 сталь – толщина от 7 мм до 18 мм
- Покрытие цилиндра: нержавеющий лист
- Диаметр выдвигаемой части столба: 130 мм, 270 мм или 325 мм
- Высота наружной части подвижного цилиндра: от 500 мм до 1000 мм
- Крышка цилиндра: нержавеющая сталь AISI
- Покрытие горизонтальных поверхностей: нержавеющая сталь AISI
- Время подъема (опускания) платформы дорожного блокиратора: 7 – 10 сек.
- Питание: гидростанция 380/220V
- Система дистанционного управления: есть (в комплекте 2 брелока ДУ)
- Источник бесперебойного питания: есть
- Сигнальные светодиоды: есть
- Рассчитан на работу при температуре: от -50 град.С до +65 град.С
- Рассчитан на эксплуатацию с интенсивностью: более 500 циклов в сутки
- Выдерживают удар мощностью: 15 000 Дж.
- Вес изделия:
- диаметр 130 мм.: 45 кг
- диаметр 270 мм: 55 кг
- диаметр 325 мм: 70 кг
- Столб выдвижной телескопический БОЛЛАРД
- Маслонасосная станция 220/380 вольт
- Шкаф электроуправления
- Комплект рукавов высокого давления (РВД).
- Пульт дистанционного управления – 2 шт.
Бренд | Сатурн Конверсия |
Тип болларда | Автоматический |
Тип привода | Гидравлический |
Конструкция | Бетонируемый |
Подсветка | Встроенные светодиоды |
Ударопрочность | 15 000 Дж |
Скорость подъема | 7 сек. |
Скорость опускания | 7 сек. |
Высота болларда, мм | 500 |
Диаметр болларда, мм | 320 |
Напряжение питания | 220...380 В |
Потребляемый ток, макс. | 5 А |
Вес, кг | 70 |
Рабочая температура | от -50°C до +65°C |
Интенсивность использования | 500 циклов в сутки |
Гарантия | 1 год |
Страна производства | Россия |
Функция «Быстрый заказ» позволяет покупателю не проходить всю процедуру оформления заказа самостоятельно. Вы заполняете форму, и через короткое время вам перезвонит менеджер магазина. Он уточнит все условия заказа, ответит на вопросы, касающиеся качества товара, его особенностей. А также подскажет о вариантах оплаты и доставки.
По результатам звонка, пользователь либо, получив уточнения, самостоятельно оформляет заказ, укомплектовав его необходимыми позициями, либо соглашается на оформление в том виде, в котором есть сейчас. Получает подтверждение на почту или на мобильный телефон и ждёт доставки.
Оформление заказа в стандартном режиме
Если вы уверены в выборе, то можете самостоятельно оформить заказ, заполнив по этапам всю форму.
Заполнение адреса
Выберите из списка название вашего региона и населённого пункта. Если вы не нашли свой населённый пункт в списке, выберите значение «Другое местоположение» и впишите название своего населённого пункта в графу «Город». Введите правильный индекс.
Доставка
В зависимости от места жительства вам предложат варианты доставки. Выберите любой удобный способ. Подробнее об условиях доставки читайте в разделе «Доставка».
Оплата
Выберите оптимальный способ оплаты. Подробнее о всех вариантах читайте в разделе «Оплата»
Покупатель
Введите данные о себе: ФИО, адрес доставки, номер телефона. В поле «Комментарии к заказу» введите сведения, которые могут пригодиться курьеру, например: подъезды в доме считаются справа налево.
Оформление заказа
Проверьте правильность ввода информации: позиции заказа, выбор местоположения, данные о покупателе. Нажмите кнопку «Оформить заказ».
Наш сервис запоминает данные о пользователе, информацию о заказе и в следующий раз предложит вам повторить к вводу данные предыдущего заказа. Если условия вам не подходят, выбирайте другие варианты.
Если Вы хотите узнать об условиях доставки и оплаты, но не желаете о них читать, то Вы можете позвонить любому нашему сотруднику, и он обязательно Вам поможет.
Покупка за безналичный расчет
При оплате за безналичный расчет наш сотрудник свяжется с Вами, чтобы подтвердить заказ и уточнить сроки и адрес доставки. После оформления заказа сотрудник нашей компании вышлет вам счет, по которому необходимо будет произвести оплату.
После оплаты заказа к Вам приедет наш курьер, который доставит ваш заказ.
Самостоятельно забрать заказ из пунктов самовывоза Вы можете после его оплаты по безналичному расчету. Оплата доставки до пунктов выдачи транспортных компаний производится по тарифам выбранной Вами транспортной компании непосредственно в месте получения заказа.
Самовывоз из офиса нашей компании в Зеленограде, так же возможен после предоплаты по безналичному расчету, и предварительной договоренности с менеджером.
Интернет-магазин выполняет доставку любого товара своей собственной Службой доставки.
Стоимость доставки курьером
Стоимость доставки по Москве, Все товары —750 руб., бесплатная доставка от 25000 руб
Стоимость доставки по Московской области рассчитывается для каждого заказа индивидуально и зависит от суммарного веса товаров заказа и удаленности адреса доставки.
Время доставки
Время доставки согласовывается с менеджером Службы доставки, который обязательно свяжется с вами сразу после того, как вы разместите свой заказ.
Для осуществления доставки в регионы России мы пользуемся услугами компаний СДЭК, ЖелДорЭкспедиция, Автотрейдинг, Деловые Линии. В таком случае, указанными кампаниями взимается стоимость доставки по их внутренним тарифам с заказчика при получении товара.
Самовывоз
Забрать товар самостоятельно и абсолютно бесплатно можно только по адресу: Москва, Зеленоград, Панфиловский проспект, дом 10.
Забрать товар самовывозом можно по любому из адресов самовывоза указанных здесь, стоимость доставки до пункта самовывоза рассчитывается для каждого заказа по тарифам транспортных компаний.













