BFT STOPPY MBB/ DACOTA 220/500 – прочный и практичный в использовании, электромеханический боллард, со светодиодными сигнальными огнями и звуковым сигналом, от производителя BFT серии “STOPPY“.
Эта модель является отличным решением для обеспечения ограничения и контроля автомобильного проезда. Довольно часто, данный вид боллардов устанавливается на частных парковках.
Электропитание двигателя от сети 220-230 Вольт. Мощность потребления 300 Ватт. Конденсатор 10 мкФ.
Время выполнения опускания столба 6 секунд.
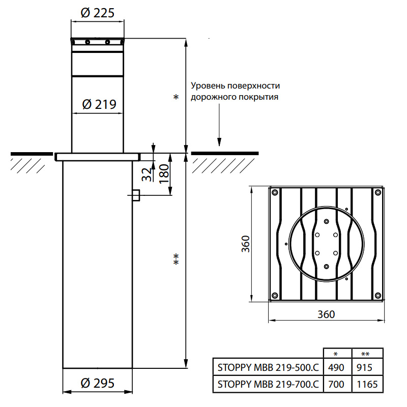
Высота столба составляет 500мм, а диаметр 220мм. При таких небольших габаритах, оборудование обладает передней ударопрочностью на высоте 350 миллиметров 8000 Джоулей. Статическая максимальная нагрузка на поднятого столба равна 300 кг, опущенного столба 15000 килограммов.
Класс защиты устройства IP67.
Боллард STOPPY MBB/ DACOTA 220/500 предназначен для интенсивного использования и способен осуществлять до 2000 рабочих циклов в сутки.
Температурный диапазон работы составляет: от –45°C до + 60°C (с включенным Termon).
Характеристики:
• Производитель: BFT
• Модель: STOPPY MBB/ DACOTA 220/500
• Тип болларда: Электромеханический
• Высота болларда: 500 мм.
• Диаметр болларда: 220 мм.
• Встроенная подсветка: Да
• Напряжение пит.: 220 В
• Мощность: 300 Вт.
• Ударопрочность: 12000 Дж
• Время опускания: 6 сек.
• Интенсивность использования: до 1500 циклов в сутки
• Рабочая температура: -45...+60°C
• Класс защиты: IP67
• Вес: 90 кг.
• Страна производства: Италия


Бренд | BFT |
Вид товара | Блокиратор проезда |
Тип шлагбаума | Автоматический |
Тип болларда | Подъемный, Автоматический |
Тип привода | Электромеханический |
Подсветка | Встроенные светодиоды |
Ударопрочность | 8 000 Дж |
Скорость опускания | 6 сек. |
Высота болларда, мм | 500 |
Диаметр болларда, мм | 220 |
Серия боллардов | Came BFT Stoppy |
Напряжение питания | 230 В |
Потребляемая мощность, макс. | 300 Вт |
Вес, кг | 90 |
Рабочая температура | от -45°C до +60°C |
Класс защиты (IP) | IP67 |
Интенсивность использования | 1000 циклов в сутки |
Гарантия | 1 год |
Страна производства | Италия |
Функция «Быстрый заказ» позволяет покупателю не проходить всю процедуру оформления заказа самостоятельно. Вы заполняете форму, и через короткое время вам перезвонит менеджер магазина. Он уточнит все условия заказа, ответит на вопросы, касающиеся качества товара, его особенностей. А также подскажет о вариантах оплаты и доставки.
По результатам звонка, пользователь либо, получив уточнения, самостоятельно оформляет заказ, укомплектовав его необходимыми позициями, либо соглашается на оформление в том виде, в котором есть сейчас. Получает подтверждение на почту или на мобильный телефон и ждёт доставки.
Оформление заказа в стандартном режиме
Если вы уверены в выборе, то можете самостоятельно оформить заказ, заполнив по этапам всю форму.
Заполнение адреса
Выберите из списка название вашего региона и населённого пункта. Если вы не нашли свой населённый пункт в списке, выберите значение «Другое местоположение» и впишите название своего населённого пункта в графу «Город». Введите правильный индекс.
Доставка
В зависимости от места жительства вам предложат варианты доставки. Выберите любой удобный способ. Подробнее об условиях доставки читайте в разделе «Доставка».
Оплата
Выберите оптимальный способ оплаты. Подробнее о всех вариантах читайте в разделе «Оплата»
Покупатель
Введите данные о себе: ФИО, адрес доставки, номер телефона. В поле «Комментарии к заказу» введите сведения, которые могут пригодиться курьеру, например: подъезды в доме считаются справа налево.
Оформление заказа
Проверьте правильность ввода информации: позиции заказа, выбор местоположения, данные о покупателе. Нажмите кнопку «Оформить заказ».
Наш сервис запоминает данные о пользователе, информацию о заказе и в следующий раз предложит вам повторить к вводу данные предыдущего заказа. Если условия вам не подходят, выбирайте другие варианты.
Если Вы хотите узнать об условиях доставки и оплаты, но не желаете о них читать, то Вы можете позвонить любому нашему сотруднику, и он обязательно Вам поможет.
Покупка за безналичный расчет
При оплате за безналичный расчет наш сотрудник свяжется с Вами, чтобы подтвердить заказ и уточнить сроки и адрес доставки. После оформления заказа сотрудник нашей компании вышлет вам счет, по которому необходимо будет произвести оплату.
После оплаты заказа к Вам приедет наш курьер, который доставит ваш заказ.
Самостоятельно забрать заказ из пунктов самовывоза Вы можете после его оплаты по безналичному расчету. Оплата доставки до пунктов выдачи транспортных компаний производится по тарифам выбранной Вами транспортной компании непосредственно в месте получения заказа.
Самовывоз из офиса нашей компании в Зеленограде, так же возможен после предоплаты по безналичному расчету, и предварительной договоренности с менеджером.
Интернет-магазин выполняет доставку любого товара своей собственной Службой доставки.
Стоимость доставки курьером
Стоимость доставки по Москве, Все товары —750 руб., бесплатная доставка от 25000 руб
Стоимость доставки по Московской области рассчитывается для каждого заказа индивидуально и зависит от суммарного веса товаров заказа и удаленности адреса доставки.
Время доставки
Время доставки согласовывается с менеджером Службы доставки, который обязательно свяжется с вами сразу после того, как вы разместите свой заказ.
Для осуществления доставки в регионы России мы пользуемся услугами компаний СДЭК, ЖелДорЭкспедиция, Автотрейдинг, Деловые Линии. В таком случае, указанными кампаниями взимается стоимость доставки по их внутренним тарифам с заказчика при получении товара.
Самовывоз
Забрать товар самостоятельно и абсолютно бесплатно можно только по адресу: Москва, Зеленоград, Панфиловский проспект, дом 10.
Забрать товар самовывозом можно по любому из адресов самовывоза указанных здесь, стоимость доставки до пункта самовывоза рассчитывается для каждого заказа по тарифам транспортных компаний.

















